|
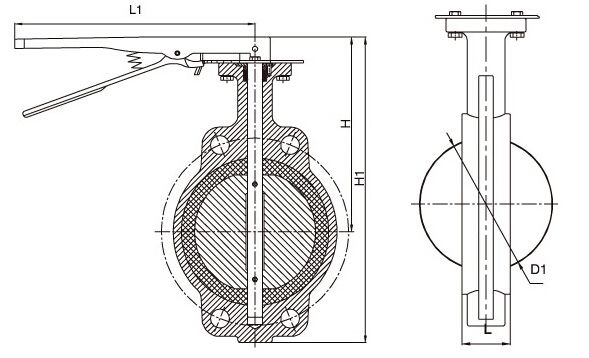
不銹鋼手柄對夾蝶閥概述 軟密封手柄對夾蝶閥采用中線型設計,閥座采用浮動式結構。閥門主要由閥體、蝶板、閥座、閥桿及傳動操作機構等零件組成。可廣泛應用于給排水、暖通及消防系統等流體管線上作為調節或截流裝置使用。 手柄對夾蝶閥D71X原理作用: 蝶閥的啟閉件是一個圓盤形的蝶板,在閥體內繞其自身的軸線旋轉,從而達到啟閉或調節的目的。蝶閥的優點有結構簡單、體積小、重量輕、安裝尺寸小、開關迅速。 手柄對夾蝶閥D71X性能特點: ①小型輕便,容易拆裝維修,可任意位置安裝;
![]()
|
||||||||||||||||||||||||||||||||||||||||||||||||||||||||||||||||||||||||||||||||||||||||||||||||||||||||||||||||||||||||||||||||||||||||||||||||||||||||||||||||||||||||||||||||||
-
不銹鋼對夾式蝶閥D71X-16P 電動智能調節型dn40 50 100 150
-
手動蝶閥啟閉方便迅速、省力、流體阻力小,可以經常操作。
-
具有體積小,重量輕,性能可靠,配套簡單,流通能力大。
-
采用中線型結構,具有越關越緊的密封功能,密封性能可靠。
-
密封副材料選用球墨鑄鐵和丁腈耐油橡膠配對,使用時間長
-
不銹鋼材質能有效防止銹蝕且只要更換密封閥座密封材料,就可使用于不同介質。


